
Introduction to System Nylonslide 6mm
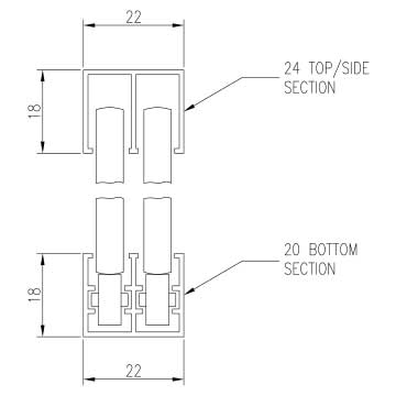
Suitable for 6mm glass up to 1.5m high this system is available in polished aluminium, silver anodised or powder coated. Can be supplied in cut lengths up to 4m or in 2m or 4m stock lengths.
Glass Panels slide on nylon rollers which are incorporated into the bottom track while the top of the glass is supported in the top track. This system is suitable for use in display cabinets, showcases or serving hatches.
The usual overlap allowed between two glass doors is 26mm. For glass sizes deduct 22mm from the height of the opening.
For safety reasons we recommend all glass should have polished edges. Please check with your glass merchant to ensure that the speciļ¬cation of the glass is suitable for the particular installation.
For side channels or draught excluders deduct 38mm from the height of the opening. The maximum recommended height to width ratio per door is 1.5:1.









